✅️ CNC가공품은 제품의 외형뿐 아니라 표면조도도 매우 중요합니다.
외관이 예쁘게 가공되어도 표면 불균일한 경우, 제품의 내구성과 정확성이 저하될 수 있기 때문입니다.
이러한 문제를 예방하기 위해서는 CNC 가공 시에 표면조도를 고려해야 합니다.
✅️ 표면조도란, 표면의 거칠기 정도를 나타내며,고르고 매끄러운 표면은 시각적 측면에서 더욱 깔끔하고 선명한 느낌을 줍니다. 또한 상호작용할 다른 부품들과 접촉면에서도 장점을 가지게 됩니다.
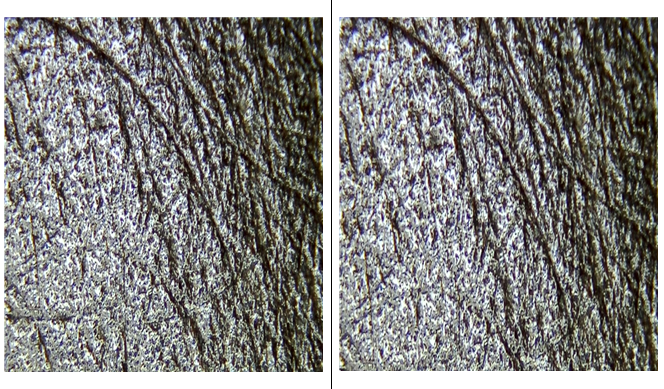
[작업 전]

[작업 후]

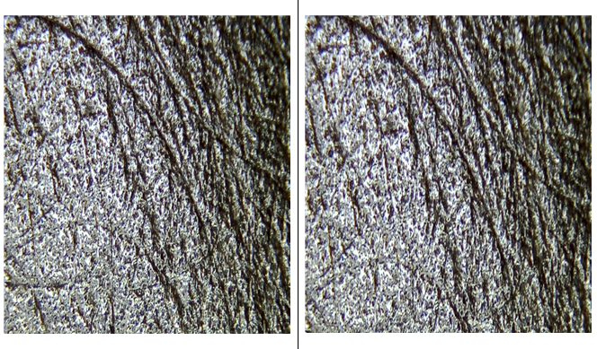
[작업 전]

[작업 1]

[작업 2]

[작업 후]



✔️ 표면조도가 높을수록 마찰력이 증가하여 공작물의 내구성과 마모성이 개선됩니다. 또한, 고정밀 가공을 위해서도 표면조도는 중요한 역할을 합니다.
✅️ 노바 연마재와 장비
NOVA L&P는 연마재와 장비를 공급하는 업체입니다.
순수 국내 기술로 개발되었으며, 다수의 업체에서 비슷한 성질을 가진 일본 연마재보다 탁월한 가공성을 인정받았습니다. 노바 연마재는 수가공으로만 가능한 공정을 누구나 쉽게 할 수 있도록 만들어 졌으며, 연마재의 내구성이 뛰어나 블라스터,드래그 장비를 사용하여 자동화가 가능합니다.

✅️ 노바 탄성연마재
✔️ 블라스터, 드래그용 탄성연마재
✔️ 불규칙 형태
✔️ 0.1㎛~50㎛ 다이아몬드 파우더 외 기타 연마제 탄성체에 코팅된 형태의 연마제
✔️ 탄성조절 전용 미스트
✔️ 메탈/세라믹/플라스틱/3D 프린터 출력물/티타늄 외 기타 금속 연마가능
✔️사용용도:
✔️미러폴리싱
✔️ 표면 조도 개선
✔️ 곡면 외 복잡 형상 가공 가능
✔️솔루션 제공을 통한 가공물에 적합한 고객 맞춤형 연마재 제공




노바엘앤피 (NOVA L&P )
홈페이지 : www.novalnp.com
유튜브: https://youtu.be/Y0egUi7OYf0
본사 / NOVA L&P
전화번호(Phone): 051-514-9530
주소(Address): 부산시 북구 효열로111, 510호 부산지식산업센터(금곡점)
경인지사 / NOVA L&P
전화번호(Phone): 031-433-2138
주소(Address): 경기도 시흥시 공단1대로 13, 807호, Korea

'노바 작업일지' 카테고리의 다른 글
| 옵틱 금형 폴리싱(NOVA OPTIC MOLD SOLUTION) (0) | 2023.06.26 |
|---|---|
| 홀가공(DEBURRING)디버링 폴리싱 (0) | 2023.06.22 |
| 미세버 제거 및 표면개선 (0) | 2023.06.16 |
| 3D 프린터 후처리 가공 (0) | 2023.06.15 |
| 낚시릴 표면 개선과 광택 작업 (2) | 2023.06.12 |